销售部: 13065740793
联系人: 韩工
-
韩工 -
李工 -
曾工 -
陈工
喇叭口雷达液位计为何不能安装在罐子正中间[安布雷拉]
[点击量:3077][来源:安布雷拉超声波 · 中国已服务中小企业8千家]
2019-06-19
喇叭口雷达液位计为何不能安装在罐子正中间

有一个客户通过网络搜索找到杭州安布雷拉,他要测量浓磷酸的液位高度,罐子是搪瓷罐,我们给他推荐使用GY-6902T非接触式的雷达液位计。
雷达液位计GY-6902T 

再细细了解后知道客户在设计罐子的时候把雷达液位计安装位置留在了正中间,当客户被告知正中间不能安装雷达液位计时,客户一脸茫然,为什么不能安装在正中间呢?

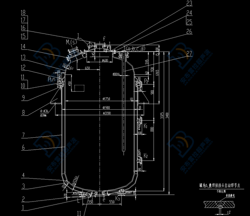
搪瓷罐的罐子图纸 

GY-6902T雷达液位计不能安装在拱形或圆形罐顶中间。是因为雷达发射一个波,经液面反射到弧顶,会在最中间形成一个强波,这会影响真实的回波。除了会产生间接回波还会受到多次回波的影响,多次回波可能比真正回波的信号阈值还大,因为通过顶部可集中多个回波。所以不能安装在中心位置。
罐子上要安装雷达液位计一般推荐安装在旁边,是因为虽然仍然有多重回波,但是强度是衰减的,变送器不会判断错误。或者是在远离进料口距离灌壁 30公分以上的距离安装。

GY-6902T雷达液位计 

杭州安布雷拉——不仅是雷达液位计生产厂家,我们更是雷达液位计应用专家,一直秉诚为客户提供好产品和好的服务方案为宗旨,如果你对以上雷达液位计感兴趣或者有疑问,请点击联系我们的在线客服QQ :1650770400,24小时服务热线:13065740793。安布雷拉——你全程贴心的采购顾问。
.jpg)
如果您对我们的雷达液位计感兴趣,您可以随时联系我们的在线客服。
.jpg)
【欢迎咨询】
微信号:chaoshengbo88
.jpg)
扫一扫 立即享受专家顾问服务
- ·[2021-10-15]我国技能劳动者超过2亿人,其中高技能人才超过5000万人-[安布雷拉]
- ·[2021-04-05]为什么市场上超声波液位差计价格不同?[安布雷拉]
- ·[2021-03-27]通电秒出数据的多普勒流量计被受客户青睐
- ·[2021-03-26]怎么判断安装在下水道里的窨井液位计传感器是否被水淹没?
- ·[2021-03-26]超声波液位计分体好还是一体好各有千秋
- ·[2021-03-24]超声波多普勒流量计解决你监测流量的难题


/l%E9%9B%B7%E8%BE%BE-6902.png)
