销售部: 13065740793
联系人: 韩工
-
韩工 -
李工 -
曾工 -
陈工
-
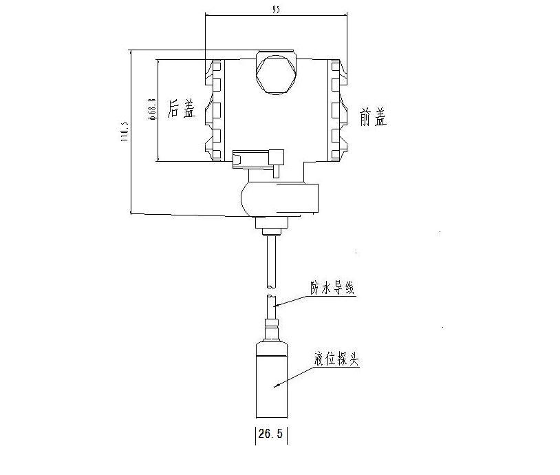
集气筒式投入式液位计 >>返回
型号:XH2088-BXG
集气筒投入式液位计,适用于有污泥、杂质等沉淀物的水池内测量液体高度。本产品高温型的可以用于测量沥青、柏油等高温型液体,最高可以耐温200℃。
或QQ:2403408812
目前正在使用的客户有:邯郸钢铁、上海群康沥青科技有限公司、路翔股份、镇海炼化、华北电力、芜湖华衍水务、武汉天然气集团。











